新闻资讯

太阳能和燃气热水器组合一起供热水,是串联好还是并联好?可以做成零冷水系统吗?
2022/5/13 14:23:12 浏览次数:19339

太阳能和燃气热水器组合一起供热水,是串联好还是并联好?

 

太阳能和燃气热水器组合一起供热水,无论是串联在一起还是并联在一起,都不是十分理想的方式,原因如下:

并联的缺陷:

太阳能和燃气热水器并联在一起使用,就要在2台热水器上均安装进出水阀门,用一台热水器时,要关闭另一台热水器,十分麻烦,如果家里只有老人或小孩,就不一定知道怎么操作了;还有一个缺陷是,在太阳能水温不能满足直接洗浴时(比如只有30°C),不能进入燃气热水器进行二次加热,只能用自来水进入燃气热水器加热,在冬季自来水水温很低的情况下,是十分耗能的。

串联的缺陷:

每次用热水时,无论太阳能出水温度多高,都要流经燃气热水器,燃气热水器都会启动,增加了燃气热水器的启停次数,会缩短燃气热水器的使用寿命,因为燃气热水器的配件比如水流开关、燃气阀、风压开关等都是有使用次数的,不仅如此,高温水进入燃气热水器里,也会影响水流开关、密封垫片、温度传感器等的使用寿命。

 

太阳能和燃气热水器组合一起供热水,理想的连接方式是配套安装恒尔暖自控中心

配套安装2种热水器智能控制装置——恒尔暖自控中心,将2台热水器组合在一起共同供热水,在太阳能水温够时,直接到用水点,水流不经过燃气热水器,燃气热水器不会启动;在太阳能水温不够时,自动流经燃气热水器进行二次加热,之后再到用水点。

 

(恒尔暖自控中心工作原理图)

 

全程自动控制,无需人工切换阀门,太阳能的高温水也不会进入燃气热水器,而且太阳能水温不够时,燃气热水器是对太阳能出水进行的二次加热,比直接加热自来水,节能显著。

 

(燃气热水器+恒尔暖自控中心安装实景)

 

恒尔暖自控中心,是合肥恒暖暖通设备有限公司集20年的水暖经验发明的,它不仅可以用于太阳能和燃气热水器组合一起供热水使用,只有是2台热水器组合一起都可以使用,理想的方式,一台热水器是常用热水器,一般为十分节能的储水式热水器,比如:太阳能热水器、空气能热水器,另一台是补充热水器,只有在常用热水器出水温度不够时,它才启动进行二次加热,一般为可以快速加热的热水器,比如:燃气热水器、燃气壁挂炉、即热式电热水器等,储水式的热水器不是理想的补充热水器。

 

(燃气壁挂炉和恒尔暖自控中心安装实景)

 

那么太阳能和燃气热水器组合一起供热水,热水管道应该怎样布置,与太阳能热水器、燃气热水器和恒尔暖自控中心,应该怎么对接?根据家里做不做每个水龙头即开即有热水的零冷水系统,分为以下两种情况。

太阳能+燃气热水器+恒尔暖自控中心,不做零冷水系统的设计

由于太阳能热水器有非承压式和承压式两种,系统图也有2种,详见下面。

 

(非承压式太阳能+燃气热水器+恒尔暖自控中心组合供热水系统图)

 

(承压式太阳能+燃气热水器+恒尔暖自控中心组合供热水系统图)

 

从上面2张图可以看出,太阳能热水出水管直接与自控中心右下水口连接,中间不要有用热水点,自控中心左下水口与热水主管对接,自控中心右上水口与燃气热水器冷水入口对接,自控中心左上水口与燃气热水器热水出口对接。

太阳能+燃气热水器+恒尔暖自控中心,做零冷水系统的设计

做零冷水系统,必须将家里的热水管道做成一个闭环,由于非承压式太阳能热水器水箱一般只有一根进回水管,无法形成闭环,而承压式太阳能水箱有一进一出2个水口,可以实现闭环,因此2种太阳能做零冷水系统的方式有所区别,下面分别介绍。

1、承压式太阳能+燃气热水器+恒尔暖自控中心零冷水循环系统

 

承压式太阳能+燃气壁挂炉+恒尔暖自控中心组合)

 

 

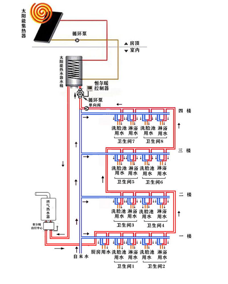
(单层复式房承压式太阳能+燃气热水器+恒尔暖自控中心+热水循环系统图)

 

(别墅承压太阳能+燃气热水器+恒尔暖自动中心+热水循环系统图)

 

从上图可以看出,自控中心与太阳能和燃气热水器的连接与不做零冷水系统都是一样,不同的地方是,热水主管布置到最后一个用水点之后,继续向太阳能水箱入水口处布置,利用三通与自来水管道合并一起,让热水回流到水箱。这样管道布置从水箱-自控中心-燃气热水器(水温不够时经过)-各个用水点-水箱,形成一个完整的闭环。在最后一个用水点和水箱的入水口之间安装循环泵和循环泵定时定温控制器;在最后一个用水点和自来水合并的三通之间安装一只单向阀,让热水只流向水箱,避免自来水回流到热水管道内。

2、非承压式太阳能+燃气热水器+恒尔暖自控中心零冷水循环系统

 

(非承压太阳能+燃气热水器+恒尔暖自控中心)

 

家里安装的是非承压式太阳能热水器,还想做零冷水系统,建议安装一台储能缓冲水箱,这样可以有效避免燃气热水器频繁启停,也减少燃气能耗。详见下图。

 

(单层复式房恒尔暖自控中心+非承压太阳能+燃气热水器+储能缓冲水箱+热水循环系统图)

 

 

(别墅恒尔暖自控中心+非承压太阳能+燃气热水器+储能缓冲水箱+热水循环系统图)

 

从以上系统图可以看出,非承压式太阳能下水管与另外配置的储能缓冲水箱入水口连接,水箱的出水口与自控中心右下水口连接,自控中心左下水口与热水主管连接,热水主管依次经过每个用水点,到最后用水点继续向储能缓冲水箱方向布置,与太阳能下水管道利用三通连接,或直接接入水箱的回水口,热水循环泵和控制器安装在最后一个用水点和水箱的回(入)水口之间。

不用热水时的热水循环,热水在缓冲水箱-自控中心-燃气热水器(水温低于自控中心设置水温时才经过)-各个用水点-循环泵-缓冲水箱之间循环;当打开水龙头用热水时,太阳能水箱的水才下来进入热水系统,先进入水箱,与水箱里的水混合,水箱上面的热水流出,先经过自控中心的检测,如果水温高于设定水温就直接流向用水点,如果低于设定水温,再经过燃气热水器二次加热,再流向各个用水点。

零冷水系统中时间和温度的设置

无论承压式还是非承压式太阳能利用燃气热水器、恒尔暖自控中心、循环泵及其控制器设计的零冷水系统中,自控中心、循环泵控制的开机时间和水温设置十分重要,设置的合理,可以十分节能。设置方式如下:

每个时间段开机的时间点,循环泵要早于自控中心几分钟;水温的设定也要满足以下条件:燃气热水器的水温(比如58°C)>循环泵的水温(比如43°C)>自控中心的水温(比如40°C),这样只要水管里的水温低于循环泵设置水温,循环泵就启动循环,由于这时还没有低于自控中心设定的水温,自控中心不会启动,只要水箱的水温高于自控中心设定的水温,自控中心就始终不会启动,水流就不会经过燃气热水器,燃气热水器就不会启动工作。

 

(恒尔暖自控中心和燃气壁挂炉安装实景图)

 

总结

太阳能和燃气热水器配合供热水,配套安装恒尔暖自控中心,不仅可以先用太阳能出水,水温不够时自动经过燃气热水器二次加热,而且可以实现每个水龙头即开即有热水,不用等待,也不浪费冷水,全程自动控制,无需人工切换阀门,方便、舒适、节能、环保。

 

    

企业简介 产品系列 联系方式

企业简介

资质荣誉

企业文化

发展历程

踢脚暖

薄型墙暖

分水器

铝塑复合管

PE保温管

智控产品

水暖配件

联系我们

在线留言

免费服务热线:

4006365398

地址:安徽省合肥市政务区潜山南路188号蔚蓝商务港A座402

电话:+86-0551-63521967/63523967
E-mail:962925642@qq.com

微信服务号:tijiaonuan    个人微信:weicaodashu

QQ:962925642、1429859369

工信部备案号:皖ICP备14017669号    皖公网安备 34010402701461号



工信部备案号:皖ICP备14017669号-3


皖公网安备 34010402701461号